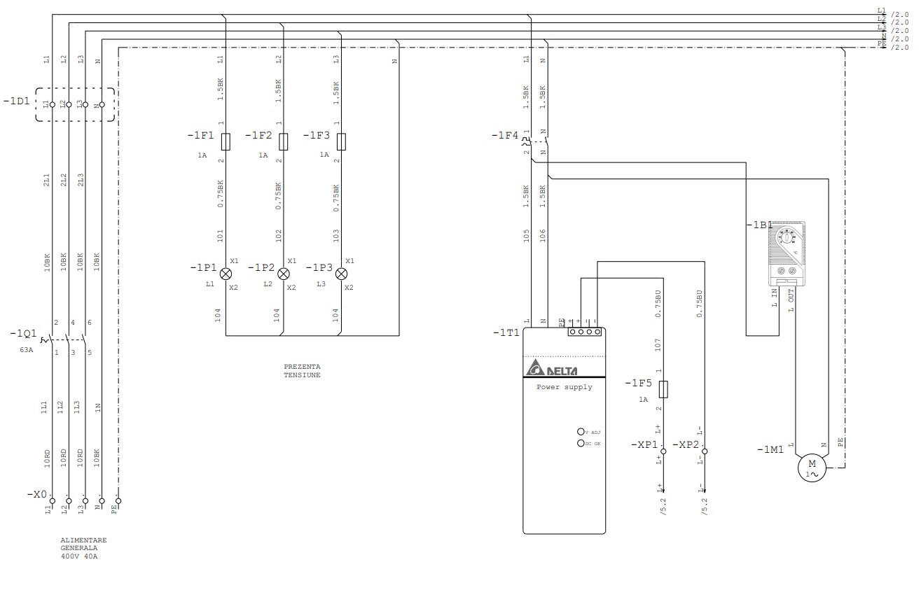
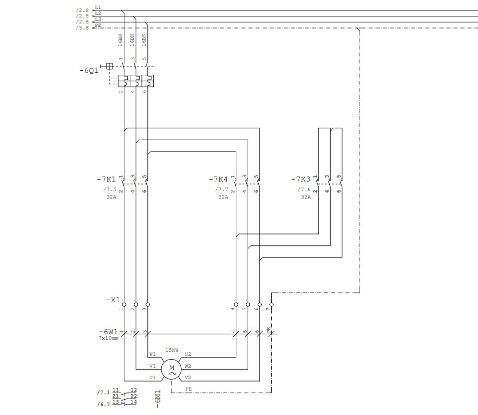
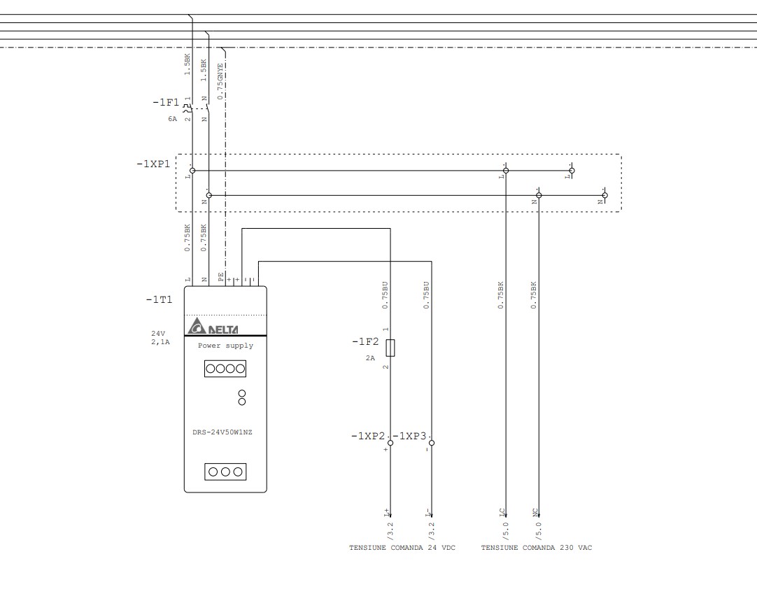
Electrical schematics are the foundation of every automation project — from control panels to complex industrial systems. A well-designed schematic ensures safe, efficient, and easily maintainable operation of all equipment, minimizing the risk of errors and reducing downtime during maintenance or future modifications.

Our team has extensive experience in designing electrical schematics for a wide range of industrial applications. We are known in the industry for our precision and professionalism, tailoring every project to meet the client’s technical requirements. Each schematic is created using advanced design software and adheres to the highest international standards and regulations.

We ensure that every schematic we deliver contributes directly to the success of the final project. Our solutions are personalized, optimized for performance and reliability, and backed by a strong reputation for quality. Whether it’s a new design, an upgrade, or a modification, our clients trust us to provide accurate, long-lasting, and seamlessly integrated solutions.

Consultation & Planning
We begin by thoroughly understanding your needs, defining clear goals, and crafting solution.
Execution & Implementation
Our team applies advanced techniques, innovative technology, and precise execution.
Delivery & Support
We deliver projects on time, provide continuous support, and ensure your complete satisfaction.